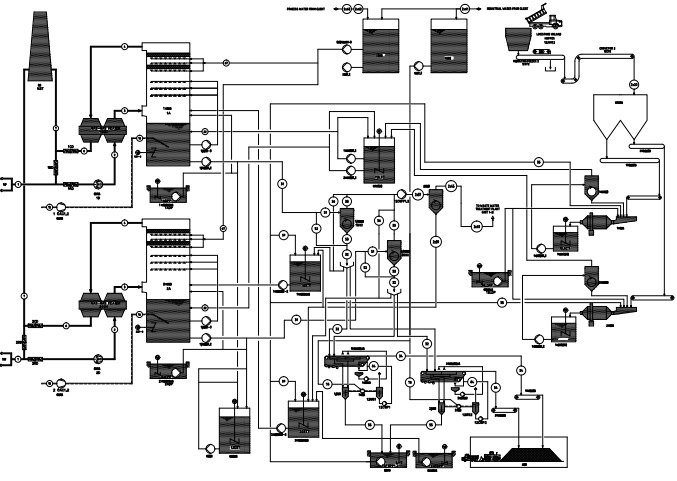
濕式石灰石—石膏法脫硫工藝是世界上應用最廣泛也是中國目前大、中型電廠90%以上采用的脫硫方法。吸收塔是脫硫工程的核心設備,煙氣中的SO2被石灰石漿液吸收,可以分介為物理吸收與化學反應兩個過程,用一個綜合式表達如下:
2H2O+2H2SO3+O2+2CaCO3←→2[CaSO4·2H2O]+2CO2
影響這種工藝的主要因素為:石灰石漿液濃度,PH值,L/G比,煙氣流速,氧氣濃度和SO2的分布等,由于有了長期的大量的應用,這種方式的脫硫效率已達到95-99.2%。
本系統工藝流程是采用GGH,也有不采用GGH的,本說明書未列。




